MAX6698 Precision Multichannel Temperature Sensor
7-channel precision remote-diode, thermistor, and local temperature monitor
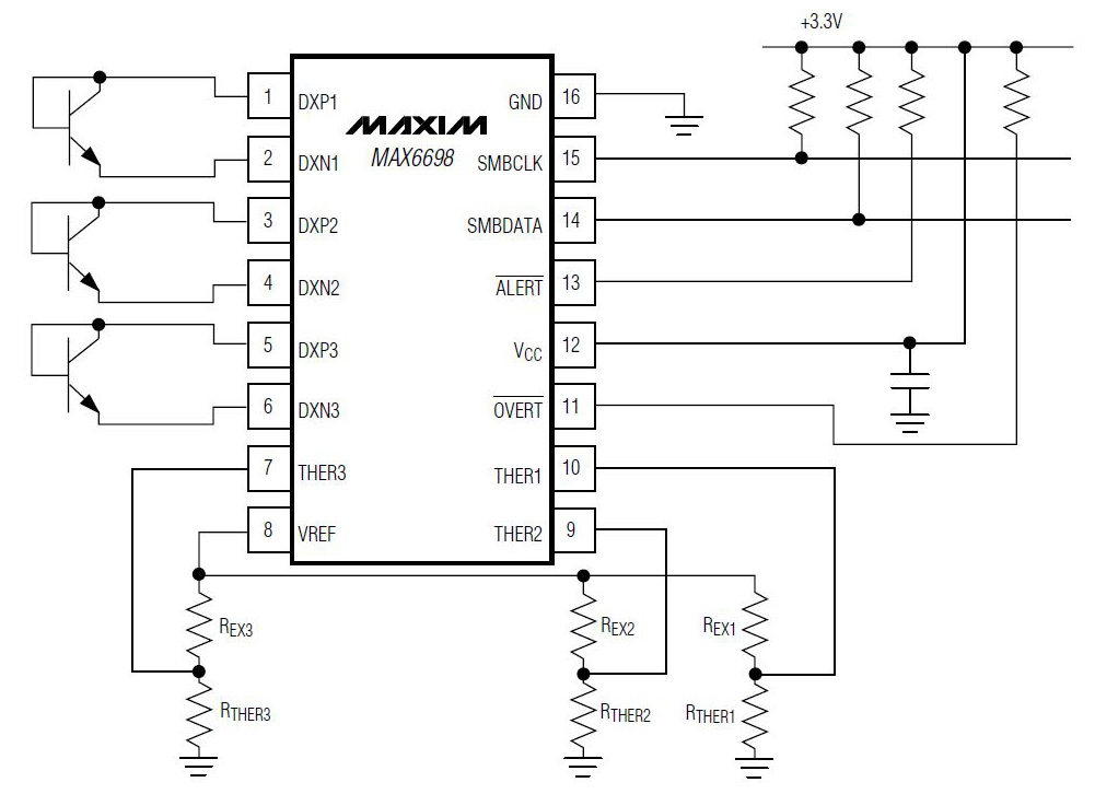
Analog Devices' MAX6698 precision multichannel temperature sensor monitors its own temperature, the temperatures of three external diode-connected transistors, and the temperatures of three thermistors. All temperature channels have programmable alert thresholds. Channels 1, 4, 5, and 6 also have programmable overtemperature thresholds. When the measured temperature of a channel exceeds the respective threshold, a status bit is set in one of the status registers. Two open-drain outputs, active-low OVERT and active-low ALERT, assert corresponding to these bits in the status register.
The 2-wire serial interface supports the standard system management bus (SMBus™) protocols: write byte, read byte, send byte, and receive byte for reading the temperature data and programming the alarm thresholds.
The MAX6698 is specified for an operating temperature range of -40°C to +125°C and is available in 16-pin QSOP and 16-pin TSSOP packages.
| Features | ||
|
|
|
| Applications | ||
|
|
MAX6698 Precision Multichannel Temperature Sensor
| Imagem | Número de peça do fabricante | Descrição | Available Quantity | Preço | ||
|---|---|---|---|---|---|---|
![]() | ![]() | MAX6698EE38+ | SENSOR DIGITAL -40C-125C 16QSOP | 0 - Immediate 7700 - Factory Stock | $10.22 | Ver detalhes |



